Ancore e ancoraggio - come ancorare
Per poterlo eseguire occorre conoscere la costa (col vento e l'onda che vi si abbattono), il fondale marino su cui si vuol dare fondo, i vari tipi di ancore e, naturalmente, i principali metodi di ancoraggio.
In questo breve inserto tratteremo quindi:
Principi generali: terminologia dell'ancoraggio
- abbisciare: riporre la catena in modo che possa svolgersi senza inciampi
- afforcare: mettere due ancore con un angolo di circa 60°-90°
- agguantare: prendere e dare volta al cavo di ormeggio
- ancora di rispetto: ancora di riserva (ancora secondaria)
- appennellare: dare fondo a due ancore l'una dietro l'altra
- arare: quando l'ancora scivola sul terreno e non fa presa
- mettersi alla fonda: ancorarsi
- "buon tenitore": fondale adatto all'ancoraggio (sabbia, melma-fango, ecc)
- calùmo: lunghezza del cavo (catena, cima) dell'ancora
- catena dell'ancora: catena in ferro o acciaio inox, calibrata, per potere essere utilizzata tramite verricello
- catenaria: arco del calùmo rispetto alla linea immaginaria tra prua e ancora
- dare fondo: calare (gettare) l'ancora in mare
- fare presa, tenere: l'ancora è ben "conficcata" sul fondo e non si muove
- fare testa: fare presa, in modo solido, sul fondale
- filare la catena: svolgere la catena dell'ancora permettendogli di distendersi
- fonda (mettersi alla fonda): ancorarsi
- gavone dell'ancora: luogo, a prua della barca, dove si ripone l'ancora e la relativa catena
- grippia: cima che si lega al diamante dell'ancora per facilitarne il recupero
- grippiale: gavitello a cui si lega la grippia
- liberare l'ancora: "disancorare", mettere in chiaro qualcosa che è legata o incattivata (incastrata, non libera)
- linea di ancoraggio: lunghezza della catena/cima dell'ancora, fuori bordo
- mettere in chiaro: rendere libero, di facile utilizzo (non ingarbugliato o incastrato)
- mordere: fare presa
- musone di prua: ferramenta, all'estrema prua, dove scorre la catena dell'ancora
- occhio di cubìa: foro a prua e di lato, nelle navi, dove scorre la catena dell'ancora. E' munito di getti di acqua ad alta pressione per pulire la catena quando si salpa
- salmone: peso che si attacca al calùmo per ammortizzarlo e migliorare la tenuta
- salpare l'ancora: "disancorare", sollevare/togliere l'ancora
- spedare l'ancora: togliere la testa dell'ancora dal fondo
- verricello dell'ancora: serve per dare fondo o salpare l'ancora senza fare fatica (di solito è elettrico e munito di telecomando)
La cosa più importante, per un buon ancoraggio, è la corretta scelta del posto!
Principi generali: come ancorare
Le ancore
L'ancora: nomenclatura
- cicala
- ceppo
- fuso
- marra
- patta
- unghia
- orecchia
- diamante
L'ancora: come funziona
- Il peso: l'ancora agisce in modo statico, come un plinto, più è pesante più tiene
- la penetrazione nel fondale: agisce dinamicamente, più si traziona e più tende a penetrare (ancorarsi) nel terreno e quindi fa più resistenza.
I modelli classici di ancora devono essere molto pesanti* per svolgere la loro funzione. Attualmente la progettazione delle ancore si evolve cercando di avere ancore sempre più efficienti e leggere, lavorando sulla forma e la capacità di penetrazione, facendo così' prevalere la parte dinamica. Tutto questo, però, le rende poco efficienti sui fondali a scarsa tenuta (ciotoli, alghe, ecc.) dove le ancore "classiche" (più pesanti) prendono la loro rivincita.
Avere una catena lunga e pesante aiuta sia dal punto di vista "statico" (aumenta il peso da "trascinare"), sia da quello dinamico, favorendo la penetrazione dell'ancora sul terreno (trazionandola parallelamente allo stesso). Inoltre, in caso di onda e vento, da "elasticità" all'ormeggio ammortizzando i movimenti dell'imbarcazione (evita colpi secchi sulla catena).
* il peso di un'ancora (che sia moderna o classica) è sempre in funzione del dislocamento e della stazza, cioè del peso e del volume del mezzo che si vuole ancorare.
L'ancora deve sempre agire in orizzontale sul terreno.
Tipi di ancore e caratteristiche
Di seguito i modelli più popolari:
- Ancora Ammiragliato (a ceppo)
-
Ancora classica .utilizzata per lo più sulle vecchie navi. E' efficiente, ma deve essere molto pesante per avere efficacia. Nata nel 19° secolo, è assurta simbolo dell'ancora.
- Grappino (a marre fisse o pieghevoli)
-
Ancora per piccole imbarcazioni / gommoni, comoda nella sua versione a marre pieghevoli perché di scarso ingombro. Ha buona tenuta unicamente sulle rocce, dove però risulta difficile da spedare. Usata anche come ancora di rispetto.
- Ancora Danfort (a marre articolate)
-
Brevettata nel 1948 da Richard Danforth è l'evoluzione "moderna" dell'ancora "ammiragliato" del 19° secolo. Funzionale se trazionata longitudinalmente, tende a sollevarsi in caso di trazione laterale (vento che gira). Fragile, grazie alle sue marre molto fini.
- Ancora F.O.B. (a marre articolate)
-
Deriva dalla Danforth, utilizzata per lo più sulle barche Francesi.
- Ancora Hall (a marre articolate)
-
Ancora classica utilizzata sulle navi. La sua tenuta è affidata prevalentemente al peso.
- Ancora Britany (a marre articolate)
-
Evoluzione della Danforth (e della FOB).
- Ancora CQR (a vomere)
-
Progettata intorno al 1930, prende il nome dall'acronimo della pronuncia inglese di SeCuRe (C-Q-R), cioè sicuro.
- Ancora Delta (a vomere - moderna)
-
Moderna evoluzione (1990) della CQR, è priva di articolazione. E' un'ottima ancora, senz'altro la migliore del suo periodo. E' autoraddrizzante.
- Ancora Bruce (a cucchiaio)
-
Lanciata nel 1971 da Peter Bruce è adatta ad incastrarsi nei musoni di prua. Non manifesta grosse performance in quanto a potenza della tenuta. Rispetto alle CQR e Danforth si adatta però meglio alle diverse tipologie di fondale.
- Ancora Rocna (a cucchiaio - moderna)
-
Di origine Neozelandese, è una delle ancore moderne più efficienti e più utilizzate. Ottimo rapporto peso/efficacia. Dotata di roll-bar è autoraddrizzante di forma.
- Ancora Ultra (a cucchiaio - moderna)
-
Di progettazione Turca, vanta caratteristiche di tenuta leggermente migliori rispetto alla Rocna. Non speda se la barca all'ancora dovesse girare (cambio di direzione del vento). E' autoraddrizzante di peso (costruita in inox cavo, riempito di piombo nel vomere, situato sulla parte inferiore).
- Ancora Mantus (a cucchiaio - moderna - smontabile)
-
Ancora smontabile di progettazione Americana. Dotata di un ampio roll-bar, è autoraddrizzante di forma.
- Ancora Spade (a cucchiaio - moderna)
-
Di progettazione Francese, ha una tenuta eccezionale sulla sabbia. Autoraddrizzante di peso: la punta della patta è zavorrata con piombo e rappresenta circa il 50% del suo peso totale.
Si possono fare anche considerazioni estetiche e di confort: ancore che si inseriscono nel musone di prua (normalmente Bruce), piuttosto che rimanere confinate nell'apposito gavone o legate in coperta.
I materiali sono, di solito, ghisa, ghisa zincata a fuoco, ferro, ferro zincato (a freddo o a caldo) e acciaio inox: AISI 304 o 316 (consigliato) e alluminio. Quelle in inox sono le più belle a vedersi (sono lucide e non fanno ruggine) ed anche le più costose.
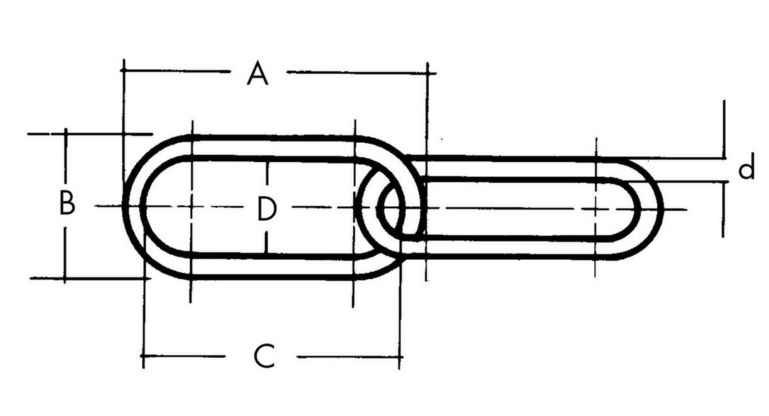
Il calùmo: linea di ancoraggio (cima e/o catena)
La catena serve ad incrementare la tenuta dell'ancora grazie al peso, che, aumentando l'arco del calùmo, gli permette di trazionare più in orizzontale. Funziona anche da ammortizzatore durante i colpi di vento o onda.
La cima permette di portare meno peso a bordo alleggerendo la prua della barca e permettendo un ancoraggio più profondo.
Aggiungere una cima sull'ultima parte del calùmo (calùmo misto), oltre a dare maggiore l'elasticità all'ormeggio, può aumentarne ulteriormente l'arco, migliorandone la tenuta se il vento non è eccessivo (cioè se non tiene costantemente in tensione la linea di ancoraggio). Utile anche per alleggerire la linea di ancoraggio in caso di fondali profondi.
Un buon calùmo è fatto dall' 80% di catena e dal 20% di cima.
In caso di vento forte/corrente, aumentare del 50% la lunghezza del calùmo raddoppia la tenuta dell'ancoraggio.
Se siete interessati a conoscere le forze presenti lungo una linea di ancoraggio vi consigliamo lo studio condotto da Alain Fraysse.
La scelta della cima
Per il diametro della cima di nylon da utilizzare considerate un carico di rottura del doppio della relativa catena (vedere le tabelle del costruttore).
La scelta della catena

La scelta della catena (dimensioni e lunghezza) dipendono soprattutto da come è fatta la nostra barca e da dove (fondale, condizioni meteo) si vuole ancorare.
Più la barca è pesante più serve una catena robusta (diametro "d" maggiore).
Più è esposta al mare, al vento e/o alla corrente più occorre avere una catena lunga e pesante.
Più è profondo il luogo di ancoraggio, più bisogna dare calùmo (da 3 a 5 volte la profondità). In questo caso si può aggiungere una cima alla catena (calùmo misto).
Il tipo di catena più utilizzato è la catena "genovese" calibrata. Si può trovare di varie misure e materiali: ferro, ferro zincato (meglio se a caldo) e acciaio inox (l' AISI 316 è più resistente alla corrosione marina dell'AISI 304).
La calibrazione della catena è necessaria per potere essere utilizzata sui verricelli (elettrici o manuali).
Un calùmo lungo e una catena pesante fanno un ancoraggio sicuro.
Metodi di ancoraggio
- ancoraggio semplice (alla ruota)
-
E' l'ancoraggio classico, il più utilizzato. Prende il nome dal fatto che la barca ancorata, disponendosi controvento (corrente), segue la variazione di direzione del vento, potendo così ruotare, lungo un arco di cerchio, attorno al suo punto di ancoraggio.Consiste nel calare un'ancora a prua e lasciare calùmo (catena o cima) da 3 a 5 volte la profondità del fondale (vedi "come ancorare"). Affidabile sotto i 20 kts di vento o i 3 kts di corrente. Al di sopra (fino a 25/30 Kts) bisogna allungare il calùmo (catena) ed eventualmente attaccare un "salmone" alla catena, per mantenere più bassa (parallela al fondale) la linea di ancoraggio. Per venti o correnti di intensità maggiore si consiglia di appennellare un'altra ancora (vedi sotto).

- ancoraggio appennellato
-
Serve a rinforzare l'ormeggio e si pratica quando c'è vento e/o corrente di forte intensità. Consiste nell'unire una seconda ancora a circa 2 metri di distanza, dietro o davanti all'ancora principale, sulla sua catena. Oltre alla funzione di aumentare la presa della prima ancora, mantenendo il tiro più orizzontale, se anche la seconda ancora fa testa, si ottiene un ancoraggio veramente solido e sicuro.

- ancoraggio prua-poppa (Bahamian moor)
-
Serve a fare mantenere la direzione voluta all'imbarcazione, impedendo che la poppa "sbandieri". Consiste nel calare due ancore, una di prua ed una di poppa, in linea. La barca sarà così mantenuta nella direzione e nel posto voluti. Si usa spesso nella zona caraibica, magari "annodando" ad una palma, una cima calata di poppa, al posto dell'ancora. Per calare la seconda ancora bisogna utilizzare il tender.

Questo tipo di ancoraggio è comunemente utilizzato quando si deve ormeggiare di poppa in banchina e non si ha a disposizione una trappa di prua: si cala l'ancora a prua e poi, con invertitore indietro, ci si accosta di poppa alla banchina dove ci si lega con 2 cime: attenzione a non incattivare l'ancora con quella di altre barche o con catenarie/corpi morti presenti sul fondo. - ancoraggio afforcato (a barba di gatto)
-
Si utilizza per ridurre il raggio di rotazione della barca quando non si ha sufficiente spazio. Si cala una prima ancora e poi una seconda con un angolo di circa 60° con la prima. Dopo si pareggia la lunghezza del calùmo delle due ancore. La seconda ancora va posata usando un tender.

Può essere utilizzato anche in caso di forte vento con direzione variabile.
Le ancore si possono posizionare a "V" (immagine) o a "Y" (di solito quando si decide, successivamente, di allungare il calùmo).
E' abbastanza complesso e, se si può, è meglio evitarlo.
Valutazione del luogo: fondale, orografia, meteo.
- baia, canale, mare aperto, zona ristretta (per la presenza di altre imbarcazioni o scogli), ecc.
- vento che gira, corrente, maree.
- caratteristiche del fondale (buono o cattivo tenitore - piano, inclinato o scosceso)
- è anche necessario conoscere le caratteristiche della nostra imbarcazione (bordo libero - resistenza al vento, immersione, reazione alla corrente, superficie frontale - opposizione alle onde)
I vari tipi di fondale (buoni e cattivi tenitori)
- sabbia
- fango denso e melma
- fango molle (tende a cedere)
- roccia (quando tiene bene si rischia di perdere l'ancora: usare la grippia)
- alghe (l'ancora tende a strapparle e perdere la presa)
- coralli (si spezzano facilmente)
- ciotoli (l'ancora tende a "rimbalzare" e fatica a penetrare attraverso)
Conformazione della costa (orografia)
Per controllare la tenuta dell'ancoraggio è utile prendere dei riferimenti a terra (rilevamenti), in modo da vedere se la barca si sposta dalla posizione iniziale e quindi se l'ancora ara.
E' importante anche valutare la distanze con altre imbarcazioni, ancorate nelle vicinanze, considerando la lunghezza del calùmo e la possibilità che il vento possa girare.
Spesso zone considerate "hurricane holes" (ripari in caso di uragano), quando sono affollate di barche diventano assolutamente insicure (con possibilità di abbordaggi e relativi danni).
La valutazione della meteo
- la forza e la direzione del vento
- l'altezza delle onde
- la presenza di corrente
- l'altezza della marea
- le previsioni meteo durante la durata dell'ancoraggio
Una barca all'ancora (alla ruota), in assenza di corrente si dispone sempre controvento.
In caso di corrente, la sua direzione prevale, mediamente, nel rapporto di 1 a 10 (1 nodo di corrente equivale a 10 nodi di vento)*
Ciò è dovuto alla maggiore densità dell'acqua rispetto all'aria e può variare a seconda del tipo di imbarcazione:
Un barca pesante e con pescaggio importante è soggetta alla corrente e meno al vento.
Una barca leggera, con importante bordo libero, sarà più esposta alla forza del vento.
Ricordate: se il vento o la corrente cambiano di direzione, indipendentemente dal tipo di ancora e di ancoraggio utilizzati, CONTROLLATE LA TENUTA DELL'ANCORA.
0 ratings
Centro Vela - Scuola di Vela
via Pescatori 6 - 21014 Cerro di Laveno (Varese)
+39.329.0070317
info@centrovela.com
P.I. 02359560121
